КОМБІНОВАНИЙ ЛИНІЙНИЙ ПІДСИЛЮВАЧ ПОТУЖНОСТІ
АМАТОРСЬКОЇ
КХ РАДІОСТАЦІЇ
«РА-2000»
Юрко П. Стрєлков-Серга
UT5NC
а/с 5000, Вінниця, 21018
<ut5nc@email.ua>
Цей підсилювач (фото 1) –
ровісник незалежності наших нових пострадянських країн. Ще 16 липня 1991 року
ініціативна група членів "Радіо-ТЛУМ" успішно провела на ньому день активності,
присвячений першій річніці державного суверенітету України. Творче натхнення
того періоду вдало втілилося у вельми оригінальну, а головне надійну і
витривалу конструкцію, що дає всі підстави сподіватись і на наше з вами
подібне майбутнє, адже у радіоаматорів
вигадувати і творити завжди виходить ліпше, ніж у політиків.
Проблема створення
короткохвильового линійного підсилювача потужності з великим
коефіцієнтом
підсилення і малим рівнем комбінаційних складових, при вихідній потужності
сотні ватт, хвилює радіоаматорів протягом багатьох років, чому підтвердження
численні публікації різних авторів у різноманітних вітчизняних
та
закордонних виданнях. Дев’яності роки XX століття відкрили перед нами
“залізний
занавіс” і явили цілий світ високоякісної закордонної зв’язкової техніки, з
приходом котрої конструкторська думка наших колег значно скоротилась і
більшість почала мріяти лише про необхідну суму, щоб придбати готову
“фірму”,
не відчуваючи при цьому мук творчості і не створюючи собі клопіт з пошуком
схем та комплектуючих, не вдихаючи запах каніфолі з пайки під жалом робочого
паяльника.
Підсилювач був замислений і
втілений в період такого
“переламу”
і, як показала практика багаторічної експлуатації, обрана концепція, технічне
рішення і застосована елементна база повністю себе виправдали. Складності з
патентуванням не дозволили належно оформити своє авторство, однак відкрита
публікація схеми також це засвідчує, не зменшуючи при цьому значення
конструкції для розвитку практичного радіоаматорства, поліпшення параметрів,
надійності та довговічності
зв’язкової надавальної
апаратури. Автор щиро радий можливості поділитися своїм виробом з усіма, в
кому ще живий дух справжнього радіоаматорства.
Основні електричні параметри
в режимі SSB:
| Вхідний опір |
75 (50) Ом |
| Номінальна
вхідна напруга (ефективне значення) |
5 В |
| Номінальна
вихідна потужність |
500 Вт |
| Коефіцієнт
підсилення потужності |
1000 |
| Рівень
комбінаційних складових третього порядку |
– 50 дб |
| Рівень власних
шумів в режимі SSB (вхід замкнутий) |
– 90 дб |
| Робочі пасма
частот, МГц |
1,8; 3,5; 7;
10; 14; 18; 21; 24; 28 |
| Коефіцієнт
корисної дії (видатність) |
65% |
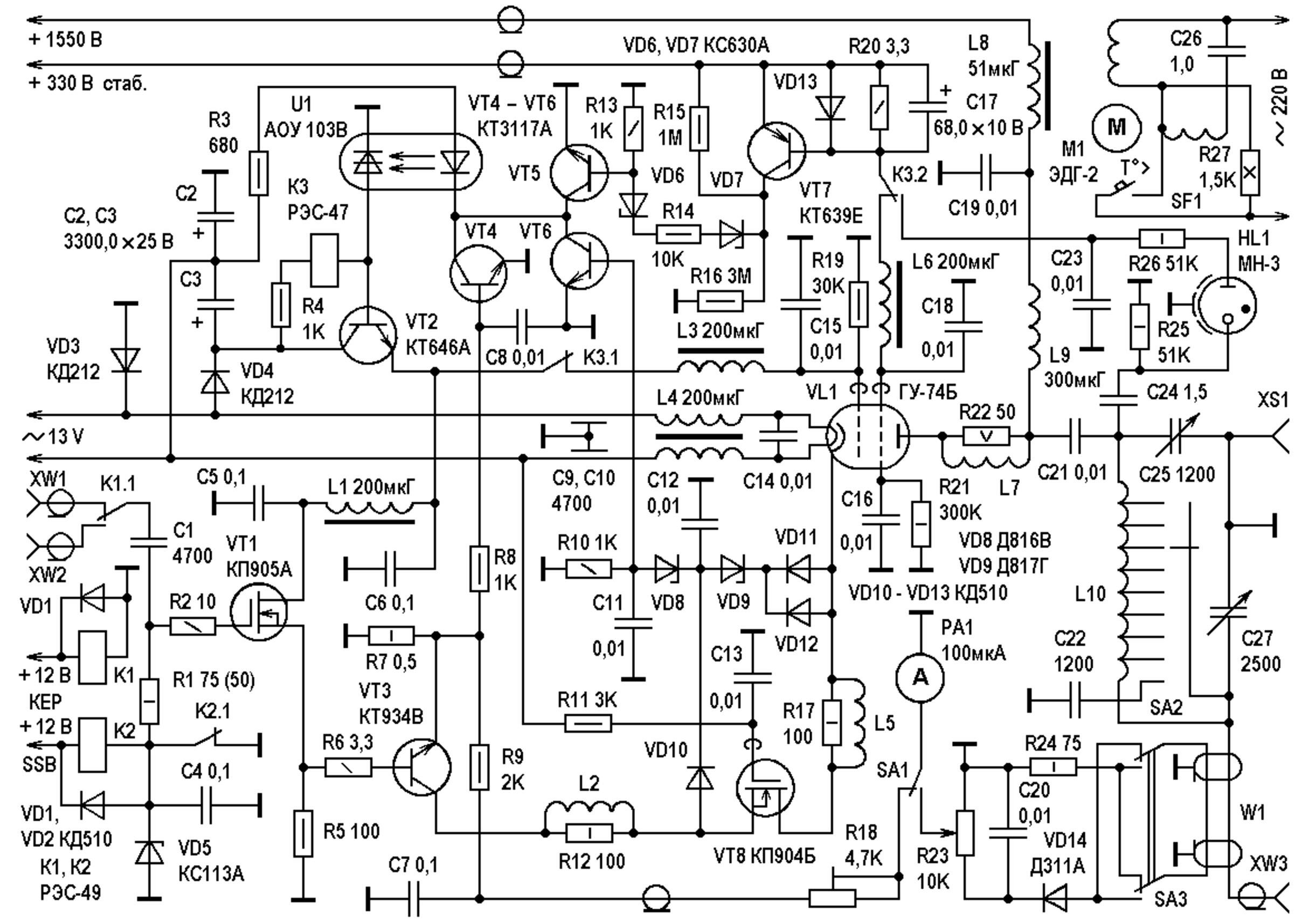
Опис принципової схеми.
Схему підсилювача (мал. 1)
умовно можна поділити на дві частини: нижню – підсилювальну і верхню –
допоміжну, що складається з елементів живлення та захисту. Головна особливість
схеми – відсутність проміжних контурів і узгоджувальних трансформаторів, а
також великий коефіцієнт підсилення потужності, що дозволяє
“розкачувати”
підсилювач практично з будь-якого QRP-трансивера або трансвертера. Перевага
даного комбінованого підсилювача потужності перед звичайними ламповими або
“гібрідними”,
подібними до
[11]
полягає в тому, що анодний
струм лампи задається безпосередньо транзистором в її катоді, електричні
параметри котрого залишаються незмінними протягом всього часу експлуатаціі,
тому поступове старіння лампи і пов'язане з цим зменшення емісії катоду і
крутизни характеристики практично не впливають на роботу підсилювача, оскільки
транзистор продовжує
“витягувати”
з лампи необхідний робочий струм. Таким чином, ресурс підсилювача збільшується
майже на порядок, тобто працювати на ньому радіоаматор зможе усе своє життя.
Малий рівень власних шумів каскадів підсилення, одночасно з їхньою великою
линійністю, дозволив отримати смугу випромінювання SSB сигналу практично
такою, якою вона була сформована фільтром основної селекції самого трансивера,
адже шуми схеми, змішуючись в тракті з корисним сигналом також створюють
комбінаційні частоти, що значно розширюють спектр вихідного сигналу.

Çá³ëüøåíà ñõåìà ï³äñèëþâà÷à 400 êá- íàòèñí³òü òóò
Сигнальний тракт
підсилювача складається з багатоланкового комбінованого транзисторно-лампового
каскаду з гальванічними зв’язками на елементах
VT1,
VT3,
VT8,
VL1
увімкнених за схемою, відповідно, загальний стік
–
загальний емітер –
загальна
брамка –
загальна сітка
[10]. Подібних
схемних рішень у вітчизняних та зарубіжних конструкціях досі не існувало.
Перша ланка зібрана на транзисторах VT1, VT3. Вхідний опір підсилювача
визначається значенням резистора R1 в брамці транзистора VT1, котрий задає
струм бази транзистора VT3, що є генератором струму для увімкнених з ним в
каскод транзистора VT8 і лампи VL1. Коефіцієнт підсилення потужності першої
ланки складає біля п’ятидесяти і визначається крутизною характеристики
транзистора VT1, параметрами і режимом транзистора VT3. Велика
широкосмуговість ланки досягається застосуванням УКХ транзисторів і малим
значенням колекторного навантаження транзистора VT3, в якості котрого виступає
виток транзистора VT8, а висока линійність – струмовим режимом його бази і
наявністю резистора негативного зворотнього зв’язку R7 в емітері. Друга ланка
зібрана на транзисторі VT8 і лампі VL1. Її коефіцієнт підсилення за потужністю
складає біля двадцяти, а велика широкосмуговість і висока линійність
забезпечуються схемою увімкнення, типом та режимом роботи активних елементів.
Коефіцієнт підсилення за потужністю цілого підсилювача дорівнює добутку
коефіцієнтів підсилення його ланок. Антипаразитні ланцюжки L2R12, L5R17, L7R22
забезпечують стійку роботу підсилювача і відсутність самозбудження через
неякісний монтаж або погану розв’язку. Навантаженням лампи VL1 є вихідний
П-контур на елементах C25, L10, C27, що усуває
вищі гармоніки
сигналу і узгоджує високий вихідний опір лампи з низьким хвильовим опором
антенного фідеру, підімкненого до вихідного злучника XW3. Зміна пасм
здійснюється перемикачем SA2 шляхом зміни кількості звоїв шпулі L10, при цьому
непрацююча частина звоїв замикається. Вмонтований КСХ-метр W1, в залежності
від положення перемикача SA3, дозволяє проводити докладний лаштунок
підсилювача за максимальним струмом в антені
та
контролювати значення відбитої хвилі. Електродвигун М1 обертає повітряний
вентилятор, що охолоджує вихідну лампу, а термоконтакт SF1 замикає резистор
R27
збільшуючи
інтенсивність
обертання.
Підсилювач має п’ять
ступенів
захисту.
Перший, на транзисторі
VT4
запобігає перевантаженню
по вхідному
сигналу.
Другий, на
транзисторах VT5, VT7 –
перевантаженню
по
струму
екрануючої
сітки
VL1 та протидинатронному
ефекту.
Третій і
четвертий, на діодах
VD8, VD9, VD10, VD11, VD12 і транзисторі
VT6, відповідно,
від
внутрішньолампових
прострілів
і
пробою
VT8.
Виконавчими елементами
захисту
є оптоелектронний
ключ U1, транзистор VT2
і
реле K3. П’ятий ступінь
захищає
лампу VL1
від
перегріву
за допомогою
термоконтакту
SF1.
Живлення
аноду
лампи
VL1
здійснюється від джерела
напруги
+1550¼1600
В, що
забезпечує струм навантаження
до 0,8 А при просадці
не більше
100 В
і ємності
конденсаторів
фільтру
не менше
300 мкФ. Екрануюча
сітка
лампи
живиться від джерела
напруги
+350 В через
однотранзисторний
стабілізатор
на КТ854A (BUT11A,
BU508A)
з увімкненими
в базу двома
з’єднаними
послідовно
стабілітронами
КС650А і
КС680А, встановленими
на
спільному з
транзистором радіаторі
площиною
не менше
100 см2 через слюдяні
прокладки (на схемі
не показано). В авторському
варіанті
анодна
напруга
+1550 В утворюється
послідовним
увімкненням
двох
джерел з
загальною ємністю
конденсаторів
фільтру
400 мкФ. Напруга
джерела +1200 В
згладжується
двома
паралельно
з’єднаними
ланцюжками, кожен
з котрих складається
з чотирьох
з’єднаних
послідовно
конденсаторів
K50-3Ф 1000 мкФ
×
300 В, зашунтованих
резисторами МЛТ-2
300 кОм,
загальною ємністю
500 мкФ. Напруга
джерела +350 В
згладжується
конденсаторами 200 мкФ
×
350 В, увімкненими
десять штук в
паралель,
загальною ємністю
2000 мкФ.
Джерела зашунтовані
“паперовими”
конденсаторами,
відповідно,
4 мкФ ×
1500 В і 20 мкФ
×
400 В. Мінус
джерела
350 В з’єднан
з тулубом (землею), а
плюс з
колектором транзистора стабілізатора
напруги екрануючої
сітки
і
мінусом
джерела 1200 В,
з
плюса котрого
знімається
сумарна
напруга
+1550 В. Діаметр
дротів
обмоток силового трансформатора для обох напруг
однаковий,
його осердя
складається
з чотирьох
осердь
від
трансформаторів
ТС-180, складених
попарно у
трансформатор броньового типу.
Основна
частина
схеми
блока живлення
підсилювача
наведена в [1],
він
підімкнений
до мережі через
симетричний
одноланцюговий
протиперешкодний
фільтр.
Перемикач
живлення
забезпечує режими:
“ВИМК”,
“ВМК”
(при цьому
напруга
живлення
подається
на силовий
трансформатор через обмежувальний
резистор 100 Ом ×
50 Вт), “230”¼“190”
з кроком
10 вольт.
Живлення
низьковольтної
частини схеми
здійснюється від напруги
накалу
вихідної
лампи
через двохполуперіодний
випрямляч
з подво-
єнням
напруги
на діодах
VD3, VD4 і
конденсаторах C2, C3 на виході
котрого утворюється
напруга
+18 В
і
+36 В. Перша
з них подається
на брамку
транзистора VT8
і
задає
колекторну
напругу
транзистора VT3,
друга
– на
керуючу
сітку
VL1 і
задає
стокову
напругу
транзистора VT8.
Робота
схеми.
В режимі
надавання CW напруга
+12 В на реле K2 не
подається,
контакти
К2.1 замикають
стабілітрон
VD5 і зміщення
на
брамці
транзистора VT1
відсутнє,
через нього
протікає
невеликий
початковий струм і
падіння
напруги
на резисторі
R5 недостатньо
для відкривання
транзистора VT3,
він
запертий,
утримуючи
запертими
також
транзистор VT8
і
лампу VL1.
Підсилювач знаходиться
в класі
C.
В режимі
надавання SSB напруга
+12 В
з
трансивера подається
на реле К2. Контакти
К2.1 розмикають
стабілітрон
VD5 і
на ньому
з’являється
позитивна
опорна
напруга
зміщення,
котра
через резистори
R1, R2
подається на
брамку
транзистора VT1,
відпираючи
його.
Падіння напруги,
що виникає
при
цьому
на
опорі
R5
відпирає
транзистор VT3 на задане
значення струму, котрий
починає
протікати
також
через транзистор VT8
і
лампу VL1.
Підсилювач переходить
в клас AB. Напруга,
що падає
на резисторі
R7 через резистори
R9, R18 і
перемикач
SA1 “струм
аноду
– антени”
подається
на
вимірювальний прилад
PA1 для контролю
струму лампи.
Високочастотний
сигнал від
вхідного злучника
XW1 через контакти
K1.1 реле перемикання
входів
K1, роздільний
конденсатор C1
і протизбудний
резистор R2
подається на
брамку
транзистора VT1.
З його
витоку
підсилений за струмом
сигнал через лінеаризуючий
резистор R6 подається
на базу транзистора VT3 –
головного
підсилювача
струму,
зміни
котрого (ефективне
значення)
реєструються
приладом
PA1.
Високочастотний струм, що проходить
через VT3 створює
на переході
виток-брамка
транзистора VT8
сигнал, котрий
підсилюється ним за
напругою і
зі стоку
подається
на катод вихідної
лампи
VL1
кінцевого підсилювача потужності.
Високочастотний сигнал, що виділяється
на дроселі
L9 через роздільний
конденсатор C21,
узгоджуючий
П-контур C25, L10, C27 і КСХ-метр W1
подається
на вихідний
злучник
XW3, а через обмежувальний
конденсатор C24 – на
індикаторну
неонову лампу HL1.
При
збільшенні
вхідного
сигналу
вище
допустимого рівня
або
пробою транзистора VT3 через
підсилювач
починає протікати
великий
струм,
котрий
створює
на резисторі
R7 падіння
напруги,
що відкриває
транзистор VT4
і
призводить
до спрацювання
тиристорної
оптопари
U1 в його
колекторі.
В наслідку,
база транзистора VT2 замикається
на землю, а
його
емітерна
напруга,
що живить
транзистор VT1, стає
рівною
нулю.
Реле K3 спрацьовує,
відмикаючи
контактами K3.1 напругу
+36 В від
керуючої
сітки
лампи VL1, а контактами K3.2 напругу
+330 В від
її екрануючої
сітки,
при цьому
обидві
сітки
через резистори
R19 і
R21
виявляються з’єднаними
з тулубом. Через
замкнуті
контакти
K3.2 і
резистор R26 напруга
+330 В подається
на неонову лампу HL1,
що
служить
також
для індикації
спрацювання захисту.
При обриві фідеру
або антени, зникненні контакту у вихідному злучнику лампа
VL1
виявляється не навантаженою і переходить у перенапружений режим при котрому
різко збільшується струм екрануючої сітки, що може призвести до її перегріву,
деформації і повному виходу лампи з ладу. Аварійний струм екрануючої сітки (>150
мА) викликає на резисторі
R20
падіння напруги, що відкриває транзистор
VT7,
струм колектора котрого через ланцюжок стабілітронів
VD6,
VD7
і резистор
R14
відкриває транзистор
VT5,
навантажений оптопарою
U1,
котра спрацьовує і вмикає захист, як наведено вище.
Конденсатор
C17
запобігає
спрацюванню захисту
від короткочасних
перевантажень
на піках
SSB сигналу.
Іноді
в недостатньо
відтренованих
або
не
зовсім
якісних
лампах ГУ-74Б при роботі
виникають
простріли,
що не
шкодять
самій
лампі,
але
можуть
призвести
до
пробою
керуючого транзистора
VT8. Дуже
короткочасні
і малопотужні
з них обмежуються
по амплітуді
на катоді
лампи
стабілітронами
VD8, VD9 і
не впливають
на роботу
схеми.
Більш
потужні
і тривалі простріли
створюють
на резисторі
R10 падіння
напруги,
що відкриває
транзистор VT6, викликаючи
спрацювання оптопари
U1 і
увімкнення захисту.
У випадку пробою транзистора VT8 катодна напруга через діод VD10 і стабілітрон
VD8 відкриває транзистор VT6, що також призводить до увімкнення захисту.
Повторний запуск підсилювача
здійснюється вимиканням блоку живлення на час біля однієї хвилини, необхідний
для розряду конденсаторів C2, C3 і усвідомлення оператором своїх дій, після
чого підсилювач можна вмикати знову. В режимі тривалого надавання нагрів
вихідної лампи збільшується і температура повітряного потоку, що виходить з
вентилятора підвищується. При перевищенні значення +60 °С біметалічний
термоконтакт SF1, встановлений у потоці, замикається і закорочує обмежувальний
резистор R27, підвищуючи напругу на обмотках електродвигуна, збільшуючи його
оберти і підсилюючи охолодження. При зниженні температури потоку термоконтакт
автоматично вимикається.
Конструкція
і деталі.
Попри зовнішню складність
схеми і нагромадження елементів, підсилювач доволі простий і надається для
повторення радіоаматорами навіть середньої кваліфікації. В ньому використано
всього 8 транзисторів, 14 діодів, 27 конденсаторів і стільки-ж резисторів.
Побудова підсилювача значно полегшується для тих радіоаматорів, котрі вже
мають готовий PA на ГУ-74Б, зібраний за іншою схемою, адже можна уникнути
найбільш складного і працемісткого – компонування і механічних робіт.
Підсилювач розміщується в
обудові від приладу Г6-2А розмірами 405×230×270 мм і змонтований на шасі з
плоської дюралевої (силумінової) плити завтовшки 15...18 мм, закріпленої до
нижньої частини передньої панелі, що являється механічною основою конструкції,
а також тепловідводом для транзисторів VT1, VT3, VT8. В іншій подібній обудові
знаходиться блок живлення. На передній панелі розміщується перемикач пасм SA2,
ручки керування конденсаторами C25
“лаштунок
контуру” і C27
“лаштунок
антени”, індикаторна лампа HL1, перемикач SA1
“струм
аноду – антени” і регулятор чутливості КСХ-метра R23. Завдяки об'ємному
монтажу і максимальному використанню внутрішнього простору, весь комплект
крупногабаритних деталей і вузлів підсилювача вдалося
“втиснути”
у такий невеликий розмір.
Всі елементи, що
встановлюються у схему, повинні бути якісними і ретельно перевіреними.
Постійні резистори – типу МЛТ, ВС або подібні на задану потужність. Не можна
застосовувати імпортні резистори з ефектом
FUSE,
котрі обриваються при перевищенні номінального струму або потужності. Постійні
неелектролітичні конденсатори – слюдяні або керамічні типу КСО, КТ, КМ на
відповідну напругу. Накальна обмотка ~13 В силового трансформатора блоку
живлення не повинна мати контакту з
“землею”. При
здійсненні навісного монтажу виводи деталей і дротів перед пайкою формують і
з'єднують так, щоб вони самовільно не розходились і між ними не було значних
механічних напружень, оскільки з часом пайка може
“розриватись” і
порушувати електричний контакт. Це правило в певній мірі стосується також
“друкованого” монтажу.
Лампа VL1 розташована горизонтально на висоті 65 мм від шасі і охолоджується
центробіжним вентилятором типу "мушля" від діапроектору
“Світязь”
або подібного з пластиковою крильчаткою, металева бічна кришка котрого
замінена на склотекстолітову, а у отвір вклеєно карболітовий бачок з
відрізаним дном від ручного проявника плівки
Æ80
мм, що насувається на анод лампи. Вивід від аноду проходить через невеликий
отвір, просвердлений у бачку. Електродвигун вентилятора замінений на більш
тихохідний ЭДГ-2, змащений невисихаючим термостійким рідким мастилом ПМС.
Нагріте повітря виходить через отвір в задній стінці обудови. Лампа
встановлена у керамічну панельку від 12Ж1Л (2Ж27Л), вмонтовану у вертикально
розташований екрануючий блочок розміром 160×120×50
мм і утримується за зовнішнє кільце екрануючої сітки фланцем з дюралевої
пластини розміром 110×150×10
мм, котра є також додатковим тепловідводом. Фланець кріпиться до блочка через
прохідні ізолюючі втулки латунними гвинтами М3 з пелюстками під головками, до
котрих припаяні всередині виводи блокувальних конденсаторів. Для усунення
самозбудження підсилювача на УКХ, на виводи С1 і С2
лампової панельки та на вивід брамки транзистора
VT8
надягнуті по два феритових кільця М600НН К7×4×2.
Всередині блочка навісним монтажем зібрана вся низковольтна частина схеми
разом з транзисторами VT1, VT3, VT8 вкрученими у різьбові отвори шасі. З боку
блочка розташовані гнізда XW1, XW2, +12 В
“КЕР”
і +12 В “SSB”,
що виходять на задню стінку тулуба, на котру виведені також злучник живлення,
клема заземлення і перемикач SA3
“пряма
– відбита”.
Шпуля L10 розташована на
висоті 55 мм від шасі і складається з двох увімкнених співосно-послідовно
частин. Перша, безкаркасна, зовнішнім діаметром 82 мм і довжиною намотки 80 мм
налічує 6 звоїв мідної посрібленої рурки
Æ8
мм з відводами від 2,0 (28 МГц); 2,5 (24 Мгц); 3,0 (21 МГц); 3,5 (18 МГц) і
4,5 (14 МГц) звоїв, рахуючи від місця з'єднання з конденсаторами C21, C25.
Друга, на розпорках, зовнішнім діаметром 90 мм і довжиною намотки 60 мм
налічує 10,5 звоїв мідного посрібленого дроту
Æ3
мм з відводами від 1,0 (7 МГц) і 4,5 (3,5 МГц) звоїв, рахуючи від місця
з'єднання з кінцем рурки і відводом
“10
Мгц”. Відводи від рурки до перемикача SA2 зроблені мідною посрібленою або
луженою шиною 0,5×8
мм, від дроту – таким самим дротом. Розташовувати окремі частини шпулі L10 під
різними кутами не має сенсу, оскільки втрати добротності у невеликому об'ємі
обудови в обох випадках практично однакові. Розрахунок П-контуру виконувався
згідно методики, наведеної в [2]. Конденсатор C25 повнообертовий від вихідного
каскаду надавача радіостації Р-842 з підмикаємим через 180° додатковим
конденсатором ємністю 560 пф
×
2,5 квар, обладнаний верньєром від радіовідбірника Р326 і саморобною шкалою з
поділками від 0 до 360°. Конденсатор C27 п'ятисекційний від радіокомпасу АРК-5
має хробачний верньєр і шкалу з поділками від 0 до 90. Вмонтований КСХ-метр W1
[3] виготовлений з відрізку коаксиального кабеля
Æ10
мм з хвильовим опором 75 Ом (50 Ом), резистор R23 багатообертовий типу СП5-44.
Антипаразитні дроселі L2, L5
намотані на резисторах МЛТ-1 51 Ом і мають по п'ять звоїв мідного посрібленого
дроту Æ0,6
мм з кроком 2,5 мм, дросіль L7 намотаний дротом
Æ1,2
мм на двох складених разом резисторах ВС-2 100 Ом і налічує п'ять звоїв,
рівномірно розтягнутих між виводами. Дросіль L4 намотаний на трьох складених
разом і ізольованих фторопластовою смужкою феритових кільцях М60НН К28×16×6
двома дротами ПЭВ-2 0,96 в один шар до заповнення. Дросіль L9 намотаний на
керамічному рурчатому каркасі
Æ24
мм довжиною 125 мм дротом ПЭВ-2 0,51 звой до звою з прогресуючим кроком
останні 20 мм з боку анодного кінця. Довжина дроту обмотки не повинна
співпадати з довжинами хвиль робочих пасм або бути рівною їх половинам. Всі
монтажні з'єднувальні дроти повинні мати дуже якісну ізоляцію, ліпше
фторопластову у тканевій
“панчосі”,
і відповідний до робочого струму переріз, а під'єднані до резистора R23,
перемикача SA1 і приладу PA1 мають бути в екранах.
Транзистор VT8 слід
підібрати з нульовим початковим струмом стоку (виводи брамка-виток замкнуті)
при Uс 50 В, це необхідно, щоб напруга на колекторі запертого
транзистора VT3 не перевищувала 18 В. Останній перевіряють на відсутність
струму колектора при замкнутих виводах база-емітер (не більше 1 мкА при Uк
24 В). Серед транзисторів серії
“2П”
і “2Т”
такі параметри зустрічаються у більшості випадків. Реле K1 і K2 типу РЭС-49,
K3 – РЭС-47, на напругу спрацювання 12 В. Конденсатор
C17
електролітичний типу К53-14 або імпортний оксидний малоімпедансний на робочу
температуру 105 °С.
Від клеми XS1
“земля”
по шасі прокладені дві шини 0,5×20
мм з луженої міді, розведені на дві половини підсилювача, з котрими з'єдную-
ться всі мінусові і земляні виводи схеми. Шини не повинні мати різких згибів і
гострих кутів, особливо ретельно необхідно приєднати до однієї з них ротори
конденсаторів C25 і C27, між котрими не слід підмикати інші елементи у зв'язку
з проходженням великого контурного струму.
Застосування зазначених на
схемі деталей і комплектуючих не складе клопоту для запасливого радіоаматора,
однак декотрі з них можуть бути успішно замінені на інші. Так, транзистор
КТ934В можна замінити на КТ922В, транзистор КП904Б – на КП904А, транзистори
KT3117А – на KT646А або КТС613 (разом з VT2), транзистор КТ639Е – на 2SA1013,
діоди VD3, VD4 – на КД213, без погіршення параметрів.
Налагодження
підсилювача.
Перед подачею на підсилювач
напруги живлення необхідно ретельно перевірити вірність монтажу (ліпше це
зробити разом з колегою). До гнізда XW3 підмикається відповідник навантаження
75 Ом ×
250 Вт або лампа 220 В
×
500 Вт, перемикач SA2 ставиться у положення
“3,5”,
конденсатор C25 – на відмітку
“80”
(550 пФ), C27 – на відмітку
“15”
(1950 пФ). При налагодженні підсилювача та подальшій його експлуатації і
технічному обслуговуванні необхідно дотримуватись заходів безпеки від ураження
електричним струмом і замикання між колами різних частин схеми. Перед кожним
паянням конструкцію необхідно знеструмлювати, витримуючи певний час для
розряду конденсаторів. Паяння всіх транзисторів повинно проводитись паяльником
з заземленим жалом. Незалежно, відтренована вихідна лампа [4] чи ні, її
перевірку і тренування здійснюють безпосередньо у схемі. Спершу розривають
коло напруги +1550 В, що йде до аноду лампи, катод відмикають від схеми і
залишають вільним, базу VT2 замикають перетинкою на землю. Блок живлення
вмикають як наведено в [1]. На плюсах конденсаторів C2 і C3 відносно землі
повинні бути напруги, відповідно, +18 В і +36 В, на резисторі R27 – змінна
напруга біля 90 вольт. Лампу витримують під напругою накалу протягом 30 хвилин.
Потім між катодом і землею вмикають дві послідовно увімкнених лампи 220 В
×
15 Вт, базу VT2 залишають замкнутою на землю, анод підмикають до кола +1550 В
і лампу витримують протягом 15 хвилин в режимі
“ВМК”
(прогрів) потім ще 15 хвилин в режимі
“220”
(робота). Після цього базу VT2 відмикають від землі і підсилювач знову
витримують 15 хвилин в режимі
“ВМК”
і ще 15 хвилин в режимі
“220”.
Тепер замість двох ламп у катод вмикають одну лампу 220 В
×
60 Вт і підсилювач витримують у такому режимі 15 хвилин. Підносячи до вивода
анода
лампи “неонку”
контролюють відсутність самозбудження, при появі котрого у катод вмикають
резистор МЛТ-2 5,1 Ом. Якщо на одному з режимів виникають простріли,
тренування слід повторити з самого початку. Після закінчення тренування
прострілів бути не повинно, якщо вони стаються – лампу необхідно замінити.
Спочатку перевіряють роботу першої ланки підсилювача і захист від
перевантаження по вхідному сигналу. Катод VL1 підмикають до схеми, ланцюжок
L2R12 відпаюють, колектор VT3 блокують на землю конденсатором 6800 пФ і через
амперметр підмикають до зовнішнього джерела стабілізованої напруги +12...15 В
на струм до 2 А. В режимі CW, без подачі вхідного сигналу, напруга на базі VT3
має бути в межах 0,1...0,3 В. Якщо вона перевищує це значення, номінал
резистора R5 слід зменшити до 51 Ом або замінити транзистор VT1. В режимі SSB,
при подачі напруги +12 В на реле K2 і відсутності вхідного сигналу, амперметр
в колекторі VT3 повинен показувати спочинковий струм 120...140 мА. Менше
значення струму збільшує нелинійність підсилювача, більше – знижує ККД
(коефіцієнт корисної дії) і спричиняє додатковий нагрів вихідної лампи.
Спочинковий струм задається напругою на стабілітроні VD5, замість котрого для
підбору режиму можна застосувати увімкнені послідовно в прямому напрямку
кілька кремнійових діодів та/або інфрачервоний світлодіод, забезпечивши їх
тепловий контакт з шасі. На вхід підсилювача (гніздо XW1) з базового
трансивера або генератора, що має регульований рівень вихідного сигналу від
нуля до десяти вольт, подають мінімальний сигнал носійної частоти 3,6 МГц
поступово збільшуючи його до значення 1,0 А по амперметру і резистором R18
встановлюють стрілку приладу PA1 на останню відмітку шкали. Продовжують плавно
збільшувати вхідний сигнал, і при струмі біля 1,2 А захист повинен спрацювати,
про що сигналізує світіння неонової лампи HL1, а напруга на стоку VT1,
керуючій і екрануючій сітках VL1 стане рівною нулю.
Якщо напруга на витоку
транзистора VT8 при відсутності вхідного сигналу не перевищує напруги на його
брамці, то транзистор підібраний вірно. Блокувальний конденсатор і амперметр
видаляють, ланцюжок L2R12 впаюють на місце. Перемикач SA3 ставять у положення
“пряма”,
перемикач SA1 у положення
“струм
аноду” (як на схемі) і перевіряють роботу підсилювача в режимі CW. На гніздо
XW1 подають сигнал носійної частоти 3,6 МГц найменьшого рівня, поступово
збільшуючи його до значення струму 400 мА по шкалі приладу PA1. Перемикач SA1
переводять у положення
“струм
антени” і позмінним обертанням ручок конденсаторів C25 і C27 досягають
максимального відхилення стрілки приладу. Для перевірки підсилювача в режимі
SSB подають напругу +12 В на реле K2, перемикач SA1 ставять у положення
“струм
аноду” і поступово збільшують вхідний сигнал до струму 400 мА по шкалі PA1.
При однаковому струмі через лампу рівні вхідних сигналів в режимах CW і SSB
будуть різними, що необхідно враховувати при роботі з підсилювачем. Вірність
налаштування П-контуру і узгодження його з навантаженням перевіряють наступним
чином. Зменшують вхідний сигнал до струму лампи 300 мА, при цьому найбільше
значення струму в антені має бути тоді, коли ємність конденсатора C27 дещо
збільшити, а C25 – зменшити. На інших пасмах підсилювач налаштовують подібно,
нотуючи положення шкал конденсаторів і уникаючи перегріву вихідної лампи,
дотримуючись головної умови лаштування вихідного контуру – зв'язок з антеною
початково завжди слід робити дещо більшим (конденсатор C27 встановлюється на
меншу від необхідної ємність), налаштовуючи контур конденсатором C25, і
наступним позмінним обертанням обох конденсаторів досягаючи максимального
струму в антені.
Особливості
експлуатації.
Однополосний сигнал з
базового трансивера повинен бути злегка компресований (обмежений), його
максимальна пікова амплітуда не повинна перевищувати рівня телеграфної
носійної. При використанні, наприклад, трансивера UW3DI-1 можна застосувати
компресію по звуковій частоті на виході мікрофонного підсилювача [5] замість
конденсатора C103. Лампу ГУ-29 видаляють, а вихідний сигнал знімають з
катодного повторювача, в режим котрого переводять лампу Л9 (6Ж52П
або 6Э5П). Для цього її анод через блокувальний конденсатор 6800 пф замикають
на землю, а лівий (по схемі) вивід конденсатора C71 відмикають від землі і
підмикають до вихідного гнізда [6]. При тривалому прослуховуванні ефіру або
перебуванні в черговому режимі блок живлення підсилювача радиться переводити у
режим “ВМК”,
при котрому всі напруги знижуються приблизно на 20%, що продовжує термін
служби вихідної лампи, зменшує шум двигуна вентилятора і економить
електроенергію.
Замінивши транзистор VT1 на
КП907А і збільшивши вхідну напругу, при достатньому запасі потужності джерела
живлення, вихідну потужність підсилювача можна підняти до 1 кВт, зберігши всі
його параметри. Однак робити це слід лише у виняткових випадках, через
зниження ресурсу вихідної лампи і підвищення вимог до антенно-фідерної
системи, а також через можливість виникнення перешкод побутовій апаратурі і
близькорозташованим аматорським радіостаціям з низькою динамікою відбіркового
тракту.
Антенне реле, в залежності
від умов експлуатації, може бути виконано двома способами: коли базовий
трансивер має одне спільне вихідне гніздо або коли використовуються два
окремих гнізда для надавання і відбору. В обох випадках, один з контактів
антенного реле необхідно задіяти у керуванні трансивером так, щоб на надавання
він вмикався лише тоді, коли антена підімкнена до виходу підсилювача або коли
вхід трансивера відімкнений від антени, підімкненої до підсилювача, і
замкнутий на землю [7], тобто педаль або ключ повинні керувати безпосередньо
антенним реле, котре вже своїми контактами перемикатиме режими трансивера.
Знімаючи вхідний сигнал трансивера через антенне реле, підімкнене до виходу
підсилювача, слід мати на увазі, що П-контур знижує чутливість на тих пасмах,
на котрих він сам не налаштований.
При бажанні у підсилювач
можна вмонтувати автономний задаючий генератор CW або SSB з власними органами
керування, використовуючи його при роботі з зв'язковим відбірником, в якості
радіомаяка, для ближнього зондування іоносфери [8], а також в професійному
зв'язку.
До злучника XW2 може бути
підімкнений додатковий трансивер, якщо підсилювач використовується для кількох
робочих місць. В такому випадку комутація здійснюється подачею напруги +12 В
на реле K1.
Замість лампи ГУ-74Б в
подібній схемі може з успіхом працювати лампа ГУ-43Б, віддаючи в два-три рази
більшу вихідну потужність, однак весь клопіт полягає в тому, що у цієї лампи,
коли вона заперта, напруга сітка-катод може перевищувати допустиму напругу
стік-брамка транзистора VT8 типу КП904, а максимальний струм колектора
транзистора VT3 типу КТ934В виявляється замалий. Тут можна порадити
використати в якості транзистора VT8 транзистор типу IRF630, закріпивши його
до шасі через ситалову ізоляційну прокладку, а в якості транзистора VT3
застосувати транзистор КТ955А або КТ967А. Для старих нелинійних підсилювачів з
вихідною лампою типу ГУ-81 линійну схему
“розкачки”
можна побудувати, увімкнувши в її катод дві увімкнених в паралель лампи типу
6П45С, в катод котрих вмикається транзистор КТ934В, як по схемі, але це вже
тема іншої статті.
В повній мірі ідею побудови
схеми і роботу підсилювача зможуть оцінити ті, хто збере і налагодить його, і
чим більше таких буде серед нас, тим чистіше і затишніше стане на аматорських
пасмах, зникнуть різноманітні сплетери і
“хвости”,
колеги по QTH зможуть, не заважаючи один одному, вільно проводити QSO на
одному пасмі, а до сусідів по будинку знову повернеться доброзичливе
ставлення.
Автор висловлює щиру подяку
Володимиру Андрієвському (UR5NAN) та Олександру Шніпору (UT7NK) за допомогу у
підготовці першої публікації цієї статті [9].
Література:
1.
Ю.Стрелков-Серга, Реле охлаждения,
“КВ
и УКВ” сентябрь 1995 г., с.22.
2.
С.Бунин, Л.Яйленко, Справочник радиолюбителя-коротковолновика, Киев,
“Техника”,
1984 г., с.121-122.
3.
К.Ротхаммель, Антенны, М.
“Энергия”,
1979 г., с.307, рис.14-14.
4.
А.Байнов, Профессиональный способ жестчения (тренировки) металлокерамических
генераторных радиоламп,
“Радиолюбитель”
7/1993 с.33.
5.
С.Бунин, Л.Яйленко, Справочник радиолюбителя-коротковолновика, Киев,
“Техника”,
1984 г., с.188, рис.4.13 а.
6.
Ю.Кудрявцев, Коротковолновый трансивер,
“Радио”
5/1970 с.17.
7.
Ю.Стрелков-Серга, Коммутация приём-передача, ”КВ и УКВ” 12/1996, с.26.
8. Н.И.Кабанов, Б.И.Осетров,
Возвратно-наклонное зондирование ионосферы, М.
“Советское
Радио”, 1965 г.
9.
Ю.Стрелков-Серга,
PA-2000,
“Радиолюбитель КВ и УКВ”
5/2000, с.22.
10.
Ю.Стрєлков-Серга,
“Малий
тлумачний словник живої української мови”, сайт
http://tlum.iatp.org.ua/files/slovnyk220106.txt
11.
Е.Шелекасов, Усилитель мощности,
“Радиолюбитель”
4/1991, с.11.
12.
Ю.Стрєлков-Серга,
“Комбинированный
линейный усилитель мощности любительской КВ радиостанции
PA-2000”, стаття на сайті http://www.cqham.ru/pa-2000.htm